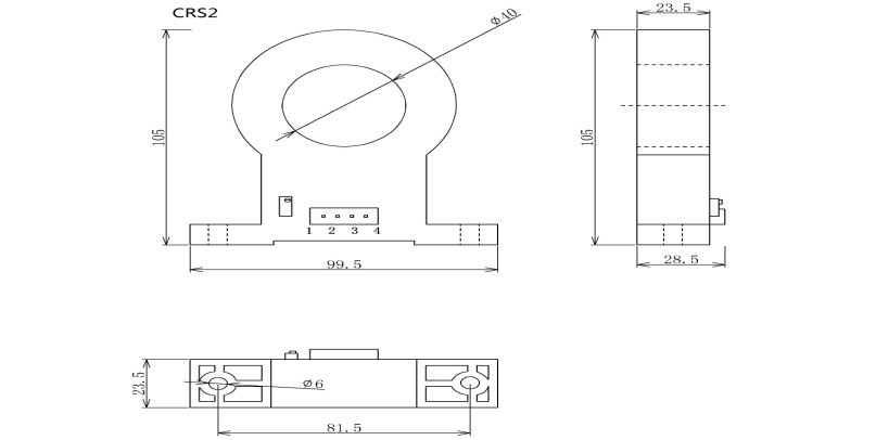
| 型号Type | CRS2 | |||||
| 原边额定输入电流 Rated input IPN | 10 | 20 | 50 | 100 | 200 | mA |
| 原边电流测量范围Measure range IP | 0~±20 | 0~±50 | 0~±100 | 0~±200 | 0~±300 | mA |
| 副边额定输出电压Rated output | DC ±5V,4-20mA,0-20mA (±1%) | V | ||||
| 电源电压Supply Voltage VCC | DC ±12V~±15V (±5%) | V | ||||
| 电流消耗Current consumption IC | <20 | mA | ||||
| 绝缘电压Galvanic isolation Vd | 2.5KV /50Hz/1min | |||||
| 线性度Linearity εL | <1 | %FS | ||||
| 零点失调电压Offset Voltage V0 | TA =25℃ <±50 | mV | ||||
| 零点失调电压温漂Offset Voltage drift VOT | IP=0 TA =-10~+60℃ <±2 | mV/℃ | ||||
| 工作环境温度Operating temperature TA | -25~+70 | ℃ | ||||
| 贮存环境温度Storage temperature TS | -40~+85 | ℃ | ||||
| 负载电阻Load resistance RL | ≥10K | Ω | ||||

Copyright © 2019 珠海众锐科技有限公司 粤ICP备15034865号