直流漏电传感器 
Generic placeholder image
CRS6系列
广泛应用于电力、工业自动化、太阳能光伏等新兴行业和领域。响应时间快,抗干扰能力强。
技术参数Electrical Data

型号Type CRS6
原边额定输入电流  Rated input IPN 10 20 50 100 200 500 1000 mA
原边电流测量范围Measure range IP 0~±20 0~±50 0~±100 0~±200 0~±300 0~±800 0~±1200 mA
副边额定输出电压Rated output DC   ±5V,4-20mA,0-20mA (±1%) V
电源电压Supply Voltage VCC DC  ±12V~±15V  (±5%) V
电流消耗Current consumption IC <20 mA
绝缘电压Galvanic isolation Vd 2.5KV /50Hz/1min  
线性度Linearity εL <1 %FS
零点失调电压Offset Voltage V0 TA =25℃                                  <±50 mV
零点失调电压温漂Offset Voltage drift VOT IP=0  TA =-10~+60℃                      <±2 mV/℃
工作环境温度Operating temperature TA -25~+70
贮存环境温度Storage temperature TS -40~+85
负载电阻Load resistance RL ≥10K Ω
 

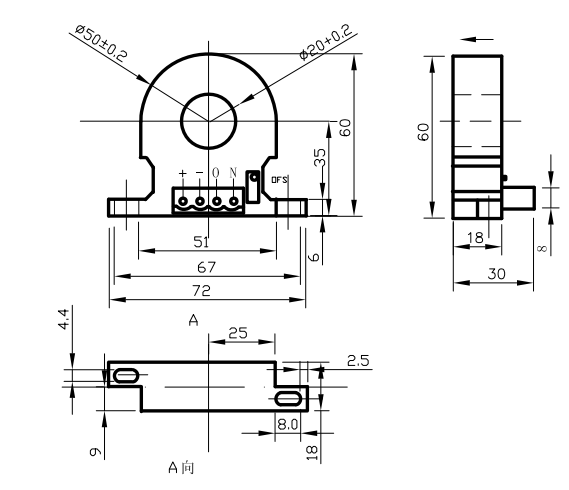
外形尺寸(mm)Dimension           
 
 
 
 
 
 
 
 
 
 
 
 引脚说明Pin definition: 

 
1:+ (VCC ) 2:- (VCC ) 3:M (Vout)  4:G(GND)   OFS:零点调节

使用说明Directions for use

1、错误的接线可能导致传感器损坏。传感器通电后,当被测电流从传感器箭头方向穿过,即可在输出端测得同相电压值。
The wrong wiring may lead to damage of sensors, after the power supply when the electric current to be measured through the sensor direction arrow, can be measured at the output end in phase voltage valu
2、传感器的输出幅度可根据用户需求进行适当的调节。
The output of the sensor amplitude can be adjusted as appropriate to the user requirement

Copyright © 2019 珠海众锐科技有限公司 粤ICP备15034865号